- 概要・特徴
- 機能・仕様
- 価格・購入
U型擁壁の設計 Ver.6
立体交差の取り付け部に用いられる掘割式U型擁壁と、橋梁などの高架部との取り付け部で用いられる中詰式U型擁壁に対応しております。
Ver.6.1 リリース日:2026.2.9
Ver.6.1 改良内容
機能アップ履歴
システム概要
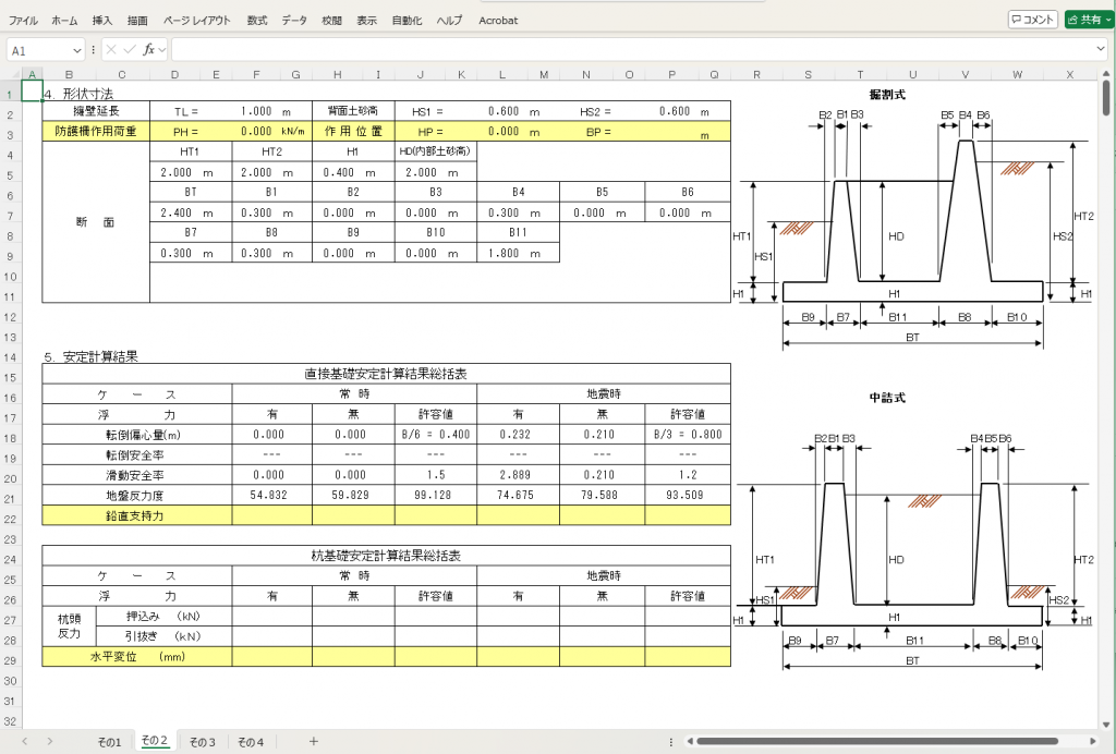
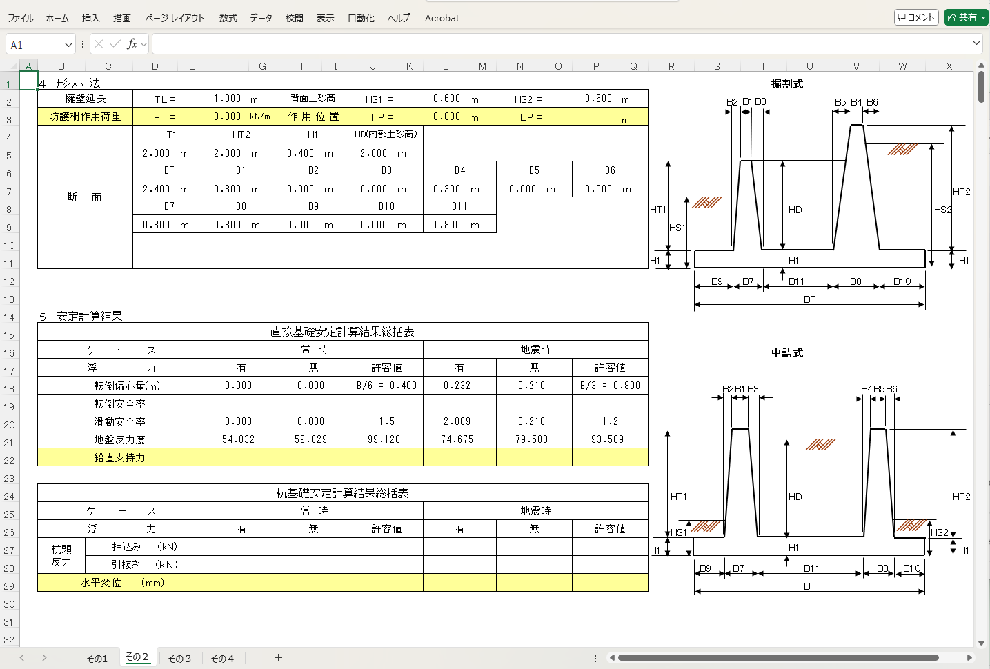
本システムは「道路土工 擁壁工指針」「土地改良事業計画設計基準(農道)」などに基づきU型擁壁の設計を行います。
U型擁壁の形式は、掘割道路や立体交差の取り付け部に用いられる掘割式U型擁壁と、橋梁などの高架部との取り付け部で用いられる中詰式U型擁壁に対応し、直接基礎の安定計算、杭基礎の安定計算、部材設計から構成されています。
また、許容支持力度並びに極限支持力を満足する改良層厚の検討が行えます。
適用基準
- 道路土工 擁壁工指針 平成24年7月 (日本道路協会)
- 土地改良事業計画設計基準 設計「農道」基準書 技術書 令和6年3月 (農業土木学会)
- 土地改良事業設計指針「耐震設計」 平成27年5月(農業農村工学会)
- 土地改良事業計画設計基準及び運用・解説「水路工」
平成26年3月(農業農村工学会)(浮上りの検討のみ) - 共同溝設計指針 昭和61年3月 (日本道路協会)(浮上りの検討のみ)
- 道路橋示方書 同解説IV下部構造編 平成24年3月 (日本道路協会)














