土木設計ソフトの開発・販売の株式会社綜合システム

  • 製品情報

    製品情報

    • 構造解析・断面
    • 擁壁・土工
    • 災害対策
    • 農林・水工
    • 管路・水路
    • 仮設工
    • 地盤改良
    • 橋梁
    • 基礎工
    • 開発
    • 積算
    • セット商品のご案内
    • レンタルのご案内
    • 製品一覧表
  • ニュース

    ニュース

    • 機能アップ情報
    • 新商品リリース
    • 新着情報
  • カスタマーサービス

    カスタマーサービス

    • サブスクリプションサービス
    • お問い合わせ
  • 会社情報

    会社情報

    • 企業理念
    • 会社情報
    • プライバシーポリシー
    • 他社商標の使用について
    • 特定商取引に関する法律に基づく表記
  • 採用情報

Q&A

マイページ

  • Q&A
  • 製品検索

    製品検索

  • マイページ
  • お問い合わせ
  • 体験版
  • 出力例
  • セミナー情報
ログイン

会員限定のQ&Aを閲覧するにはマイページにログインしてください。

人件費 単価更新 労務単価 エスコン ユーザサポート

Question

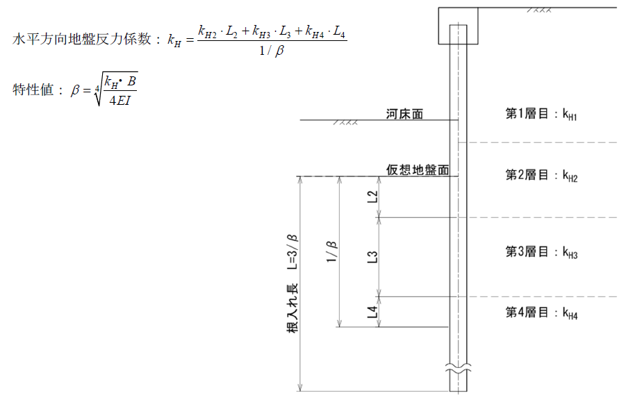
根入れ長の計算でβの式内に含まれている水平方向地盤反力係数kHの計算過程を教えてください。

シリーズ:エクシード
製品: 自立式矢板(護岸・水路)の設計
カテゴリー:土木技術の考え方・プログラムの考え方 更新: 2025年03月04日

Answer

仮想地盤面から1/βの範囲内に含まれるkHを加重平均して算定しています。

  


よく閲覧されるご質問

  • 鋼材の型式を大きくしているのにも関わらず、根入れ長が長くなってしまう原因を教えてください。
  • 「土質条件」で入力する「壁面摩擦角δ」には、どのような値を設定すればよいか教えて。
  • ハット型矢板で計算をしたい、操作方法を教えて。
  • 感潮部で矢板の腐食を前面2mm、背面1mmで、計3mmを見込みたい。設定方法を教えて。
  • 鋼矢板護岸の設計計算で、シルト系土質が主体であるため土質条件を「粘性土」として設定していますが、仮想地盤面が計算されません。理由を教えて。

参考になりましたか?

お問い合わせはこちら

製品選択

Page top

株式会社綜合システム

〒550-0002 大阪市西区江戸堀1-10-8 パシフィックマークス肥後橋

TEL:(06)6441-3551(代)
TEL:(06)6441-3561(営業部)
FAX:(06)6441-3552

Copyright @ SOGO SYSTEM All Rights Reserved.